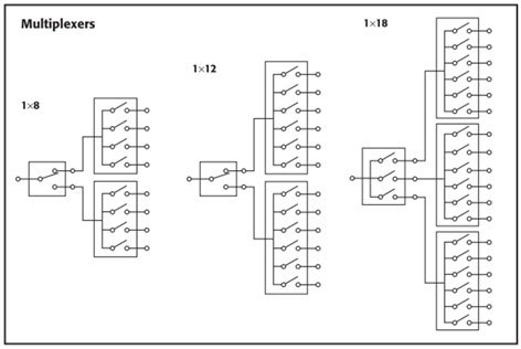
| Flexible Solutions in a Compact Package The S46 Microwave Switch System is designed to simplify the automated switching needed to test a wide range of telecommunications products and devices. The S46 can control 32 relay contacts in a package as small as a 2U high (3.5 in) full-rack enclosure. Standard configurations make it simple to select a system that meets the specifications of the testing application without the expense of unnecessary switches or other features. This “just what you need and no more” design philosophy allows S46 systems to provide outstanding price/performance value. The enclosures used in standard S46 configurations can accommodate eight SPDT unterminated coaxial micro wave relays and four multi-pole, unterminated, coaxial microwave relays. Any of these multi-pole unterminated relays can be one of the following relay types: SP4T or SP6T. S46 switching systems can be used as multiplexers, matrices, independent relays, or a combination of configurations. To order a standard system, simply select the number of relays and their location on the front panel. As test requirements change, relays can be easily added to the system to create a new switch configuration. Frequency Range To accommodate the rapidly evolving test requirements in RF/microwave applications, the S46 has ordering provisions for frequency ranges up to 40GHz. Configuration options include DC to 18GHz, DC to 26.5GHz, and DC to 40GHz. Simple Operation The S46 switch system’s 32 control channels can be operated via the IEEE-488 interface bus with a minimal set of instructions. This small instruction set ensures the system can be set up and running quickly. Front panel LEDs indicate the status of all relay contacts continuously to allow the user to monitor system operation easily. Excellent Microwave Switching Performance Keithley’s experience and partnerships with leading manufacturers in the microwave relay industry allow Keithley to offer the lowest insertion loss, VSWR, and crosstalk performance specifications available. Low-loss, semi-flexible RF cables are available as accessories to maximize signal integrity. Maximum System Up-Time and Enhanced System Performance The S46 controller automatically counts relay contact closures to allow equipment maintenance personnel to assess when the relays are nearing the end of their mechanical life. In this way, preventive maintenance can be performed in a timely way during scheduled shutdowns, avoiding unplanned shutdowns and the resulting loss of production time. In addition to counting contact closures, the S46 has a portion of its memory available to store S-parameters or calibration constants for each relay contact or each pathway. If a specific performance parameter is critical, such as Voltage Standing Wave Ratio (VSWR) or insertion loss, the parameter can be stored in memory for use in trend analysis between scheduled maintenance shutdowns. Stored parameters can also be used for compensation to enhance accuracy during RF measurements. |